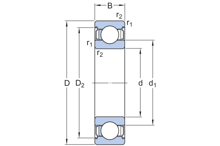
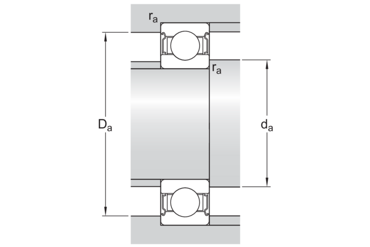
Einreihige Rillenkugellager für Hochtemperatur-Anwendungen, mit Deckscheiben an beiden Seiten, sind für anspruchsvolle Betriebsbedingungen ausgelegt. Einige Ausführungen sind für Temperaturen bis 350 °C ausgelegt. Sie haben eine größere radiale Lagerluft und verwenden Schmierstoffe auf Graphitbasis, die einen Betrieb bei hohen Temperaturen ermöglichen. Sie sind auf Lebensdauer geschmiert. Alle Lager- und Dichtungsflächen sind manganphosphatiert, um die Metallhaftung des Schmierstoffs und die Einlaufeigenschaften zu verbessern. Wie die meisten Rillenkugellager sind sie besonders vielseitig einsetzbar. Sie nehmen Radial-Axial-Kombibelastungen in beiden Richtungen auf und lassen sich einfach montieren.
Eigenschaften & Vorteile
Optimiert für hohe Betriebstemperaturen bis 350 °C
Einfacher Austausch fettgeschmierter Lager mit passenden ISO-Maßen
Erhöhte Zuverlässigkeit, reduzierte Komplexität und verringerter Umwelteinfluss
Integrierte Dichtung verlängert die Lagerlebensdauer
Typische Vorteile einreihiger Rillenkugellager