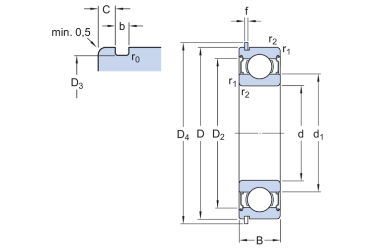
Einreihige Rillenkugellager mit Sprengringnut und Dichtungen oder Deckscheibe an einer oder an beiden Seiten sind besonders vielseitig einsetzbar, arbeiten reibungsarm, sind für einen niedrigen Geräusch- und Schwingungspegel optimiert und dadurch für hohe Drehzahlen geeignet. Sie nehmen Radial-Axial-Kombibelastungen in beiden Richtungen auf, lassen sich einfach montieren und sind weniger wartungsintensiv als andere Lagerarten. Der Sprengring, der in einer Umfangsnut im Außenring sitzt, erleichtert die axiale Befestigung der Lager im Gehäuse. Die integrierte Dichtung kann die Lagergebrauchsdauer wesentlich verlängern, da sie den Schmierstoff im Lager hält und Verunreinigungen abweist.
Eigenschaften & Vorteile
Sprengring erleichtert die axiale Befestigung im Gehäuse
Integrierte Dichtung verlängert die Lagerlebensdauer
Typische Vorteile einreihiger Rillenkugellager